admin

:: VYHLEDÁVÁNÍ ::

Hlavní strana

:: SORTIMENT ::
HNACÍ BLOK 1.1
HNACÍ NÁPRAVA 2.1
HNACÍ NÁPRAVA 2.2
DIFERENCIÁL 2.3
PŘEVODOVÁ SKŘÍŇ 3.1
PŘEVODOVÁ SKŘÍŇ 3.2
PŘEVODOVÁ SKŘÍŇ 3.3
PŘEVODOVÁ SKŘÍŇ 3.4
PŘEVODOVÁ SKŘÍŇ 3.5
ROZVÁDĚČ 3.6
NÁHON ČERPADEL A MĚNIČ 4.1
HNACÍ MOTOR 5.1
VENTIL SERVOŘÍZENÍ 5.2
ČISTIČ OLEJE 5.3
CHLAZENÍ 5.4
ŠLAPKOVÉ ÚSTROJÍ, ŠLAPKA 6.1
OKRUH BRZDOVÝ 6.2
PODVOZEK 7.1
FILTR, SACÍ ZAŘÍZENÍ 7.2
HYDRAULICKÝ VÁLEC SERVOŘÍZENÍ 7.3
ŘÍDÍCÍ NÁPRAVA 8.1
VOLANT S TYČÍ 9.1
PŘÍSTROJOVÁ SKŘÍŇ 9.2
VEDENÍ TLAKOVÉHO OLEJE - POJEZDOVÁ HYDRAULIKA 10.1
OLEJOVÝ ROZVÁDĚČ (3) 11.1
OLEJOVÝ ROZVÁDĚČ (4) 11.2
RUČNÍ BRZDA 12.1
HYDRAULICKÝ VÁLEC SKLOPNÝ 13.1
ZDVIHACÍ ZAŘÍZENÍ 14.1
ZDVIHACÍ ZAŘÍZENÍ (PANORAMATICKÉ) 14.2
NOSNÁ VIDLICE 14.3
HYDRAULICKÝ VÁLEC ZDVIHACÍ 15.1
HYDRAULICKÝ VÁLEC ZDVIHACÍ (PANORAMATICKÉ ZZ) 15.2
VENTIL (PANORAMATICKÉ ZZ) 15.3
VEDENÍ TLAKOVÉHO OLEJE - PRACOVNÍ HYDRAULIKA 15.4
VEDENÍ TLAKOVÉHO OLEJE - PRACOVNÍ HYDRAULIKA (PANORAMATICKÉ ZZ) 15.5
OCHRANNÁ STŘÍŠKA 16.1
MONTÁŽ 17.1
ZAPOJENÍ VOZÍKU 18.1


Objednávka/Poptávka počet položek: 15, celkem množství: 15
 

Náčrt



  Strana 1 z 7 zobrazováno po 10 Další 
začátek 2 3 4 5 6 konec

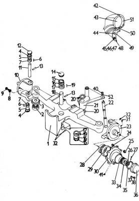
ŘÍDÍCÍ NÁPRAVA 8.1
0 Řídící náprava kompl.  
0-08540-18
počet kusů:
0 Řídící náprava kompl.  
0-08540-19
počet kusů:
1 Náprava  
0-05086-11
počet kusů:
2 Ložisko 51 205  
ČSN 02 4731
počet kusů:
3 Víko  
4-01532-00
počet kusů:
4 Pojistný kroužek 38  
31 626
ČSN 02 2931
počet kusů:
5 Příložka  
4-00900-01
počet kusů:
6 Jehla 3x19,8  
ČSN 02 3685
31 460
počet kusů:
7 Kroužek  
4-03902-01
počet kusů:
8 Šroub BM 16x50  
ČSN 02 1103.25
počet kusů:

  Strana 1 z 7 zobrazováno po 10 Další 
začátek 2 3 4 5 6 konec


Zasílání INFO
Jméno E-mail -->> Odhlásit <<--

© 2003 Created by Czechproduct Nejlépe prohlédnete v IE 5.0 a vyšší, Optimalizováno pro rozlišení 800x600 a větší.