admin

:: VYHLEDÁVÁNÍ ::

Hlavní strana

:: SORTIMENT ::
HNACÍ BLOK 1.1
KOLA 1.2
HNACÍ NÁPRAVA 2.1
POLONÁPRAVA PRAVÁ 2.2
POLONÁPRAVA LEVÁ 2.3
DIFERENCIÁL 2.4
PŘEVODOVÁ SKŘÍŇ 3.1
PŘEVODOVÁ SKŘÍŇ 3.2
PŘEVODOVÁ SKŘÍŇ 3.3
PŘEVODOVÁ SKŘÍŇ 3.4
PŘEVODOVÁ SKŘÍŇ 3.5
ROZVÁDĚČ 3.6
REDUKČNÍ PŘEVODOVKA 3.7
MĚNIČ A NÁHON ČERPADEL 4.1
HNACÍ MOTOR 5.1
VENTIL SERVOŘÍZENÍ 5.2
ČISTIČ OLEJE 5.3
CHLAZENÍ 5.4
ŠLAPKOVÉ ÚSTROJÍ 6.1
BRZDOVÝ OKRUH 6.2
RÁM, POSTRANICE, PROTIZÁVAŽÍ 7.1
HYDRAULICKÝ VÁLEC SERVOŘÍZENÍ 7.2
ŘÍDÍCÍ NÁPRAVA 8.1
PŘÍSTROJOVÁ SKŘÍŇ 9.1
VEDENÍ TLAKOVÉHO OLEJE-POJEZDOVÁ HYDRAULIKA 10.1
OLEJOVÝ ROZVÁDĚČ 11.1
RUČNÍ BRZDA 12.1
HYDRAULICKÝ VÁLEC SKLOPNÝ 13.1
ZDVIHACÍ ZAŘÍZENÍ 14.1
ZDVIHACÍ ZAŘÍZENÍ 14.2
ZDVIHACÍ ZAŘÍZENÍ 14.3
ZDVIHACÍ ZAŘÍZENÍ 14.4
NOSNÁ VIDLICE 14.5
HYDRAULICKÝ VÁLEC ZDVIHACÍ 15.1
HYDRAULICKÝ VÁLEC PODPĚRNÝ 15.2
VEDENÍ TLAKOVÉHO OLEJE-PRACOVNÍ HYDRAULIKA 15.3
VENTIL 15.4
KABINA-PŘÍSTROJOVÁ SKŘÍŇ 16.1
KABINA-MONTÁŽ 16.2
SKELET KOMPLETNÍ 16.3
DVEŘE PRAVÉ 16.4
DVEŘE LEVÉ 16.5
TOPENÍ KABINY 16.6
MONTÁŽ 17.1
MONTÁŽ 17.2
ZAPOJENÍ VOZÍKU 18.1


Objednávka/Poptávka počet položek: 5, celkem množství: 13
 

Náčrt



  Strana 1 z 6 zobrazováno po 10 Další 
začátek 2 3 4 5 konec

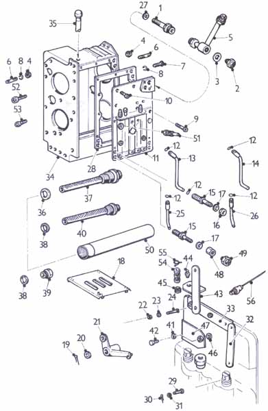
PŘEVODOVÁ SKŘÍŇ 3.1
0 Převodová skříň kompl.  
0-08430-23
počet kusů:
1 Redukční spojka  
4-04083-01
počet kusů:
2 Termostat  
33 651
405 611 900 647
TH 472 Z 105 C
počet kusů:
3 Těsnící kroužek 22 x 27  
34 523
ČSN 02 9310
5 DSN 4204-04
počet kusů:
4 Matice M 12  
31 288
ČSN 02 1401.25
počet kusů:
5 Rozbočka  
3-08862-13
počet kusů:
6 Šroub M 12 x 35  
30 512
ČSN 02 1176.55
počet kusů:
7 Šroub M 12 x 30  
30 752
ČSN 02 1103.55
počet kusů:
8 Podložka 12  
31 041
ČSN 02 1740.01
počet kusů:
9 Šroub M 10 x 40  
30 711
ČSN 02 1143.55
počet kusů:

  Strana 1 z 6 zobrazováno po 10 Další 
začátek 2 3 4 5 konec


Zasílání INFO
Jméno E-mail -->> Odhlásit <<--

© 2003 Created by Czechproduct Nejlépe prohlédnete v IE 5.0 a vyšší, Optimalizováno pro rozlišení 800x600 a větší.